Low Phase Noise Amplifiers

Can't find the RF amplifier you are looking for?
What is a Chip and Wire Amplifier?
Advantages of Chip-and-Wire Amplifiers over MMIC Designs for RF Applications
Executive Summary
Selecting the optimal amplifier technology significantly impacts RF system performance across communications, radar, aerospace, and instrumentation applications. This white paper compares traditional chip-and-wire amplifier assemblies with Monolithic Microwave Integrated Circuit (MMIC) designs, highlighting their distinct performance advantages in critical areas such as those found in low noise amps (LNAs), ultra-low phase noise amps, and high linearity amps, supported by real-world examples and quantitative data.
Introduction
The choice of amplifier technology can drastically influence system effectiveness, reliability, and longevity. While MMIC amplifiers are widely adopted for standardized, high-volume applications, chip-and-wire amplifier assemblies offer unmatched customization capabilities and superior performance metrics, especially beneficial in specialized or performance-critical RF systems.
Key Performance Advantages
1. Superior Low Noise Amp (LNA) Performance: Chip-and-wire amplifier assemblies provide engineers the flexibility to select discrete transistors and precisely matched passive components optimized explicitly for minimal noise figures. Through careful hand-selection and meticulous tuning, these assemblies achieve significantly lower noise figures compared to typical MMIC counterparts. This directly translates into enhanced sensitivity and improved system-level performance in radar and more effectively in communication systems.

Low Noise Amplifier Gain Low Noise Amplifier Noise Figure
Example: A radar system utilized chip-and-wire technology, achieving a lower noise figure of 1.2 dB for smaller targeted bandwidth, compared to a MMIC solution at 2.1 dB which was designed for a much broader bandwidth, appealing to a larger audience, sacrificing NF for bandwidth, thereby dramatically enhancing target detection range.
2. Exceptional Ultra-Low Phase Noise Amps: In applications requiring precise signal integrity, such as high-frequency defense related targeting and advanced radar systems, chip-and-wire methodologies more often excel over their MMIC counterparts. Their discrete construction allows detailed optimization of both transistor selection and circuit layout, significantly reducing residual and additive phase noise to the overall RF chain.
Example: In testing, chip-and-wire designs have demonstrated residual phase noise improvements up to 10 dBc/Hz or more (10 kHz offset) compared to comparable MMIC designs.

Amplifier Residual Phase Noise Amplifier AM Noise Performance
3. Enhanced High Linearity Amps: Depending on the type of High Linearity performance required, Second Order Harmonic performance might offer distinct advantages over Third Order Two Tone levels, depending on the even order harmonics that require suppression. Ultra-High Linearity Amp designs using chip & wire methodologies frequently incorporate multiple Push Pull and Darlington circuits to cancel even order harmonics, providing out of band harmonic filtering that can both crowd and corrupt the fundamental and thus causing in band spurious from out of band harmonics.

Third Order Intercept
Example: A major defense contractor was upgrading an over the horizon threat detection radar and their system design team needed IP2 performance not normally available with traditional MMIC designs. A standard 16 transistor hybrid chip & wire design met levels of +100 dBm (IP2 Two Tone) allowing them to eliminate additional filters used to remove some even order harmonics.

Second Order Intercept
Free Modifications to Standard Amplifiers
Modern chip-and-wire amplifier circuits deliver inherent advantages through their extensive customization potential. Unlike MMIC amplifiers, where integration can restrict optimization, chip-and-wire amplifier designs provide unmatched adaptability, enabling engineers to fine-tune every parameter to exact system requirements. This flexibility ensures maximum compatibility and improved performance across a wide range of RF systems and applications.
Example:

Reliability and Thermal Management
Chip-and-wire amplifiers inherently provide superior thermal management capabilities, owing to discrete component to package placement and advanced Surface-mount package engineering. Improved heat dissipation results in enhanced higher MTBF values, especially critical in demanding aerospace and defense applications.
Cost-Benefit Analysis
While MMIC designs may appear on the surface to be economically attractive initially for high-volume standard applications, chip-and-wire amplifiers deliver enhanced performance and reliability over time. Their superior operational lifetime, reduced maintenance requirements, and improved performance metrics often offset initial investment differences, proving highly cost-effective in specialized markets such as defense, aerospace, and critical communication infrastructures.
Average lifespan of Monolithic Microwave Integrated Circuit (MMIC)
The average lifespan of a specific Monolithic Microwave Integrated Circuit (MMIC) component is typically between two and five years, a trend consistent with other advanced semiconductor devices. However, the underlying MMIC technology itself is not becoming obsolete and remains vital across many applications.
The key distinction lies between the component lifecycle and the technology lifecycle:
- Component Obsolescence (2–5 years): Individual MMICs have a relatively short production lifespan. Manufacturers frequently discontinue specific parts due to rapid innovation, declining demand, or the introduction of improved replacements. This often leads to costly redesigns and compels users—particularly in defense and medical industries—to adopt proactive obsolescence management strategies.
- Technology Relevance (Decades): The MMIC technology base remains a mature and indispensable part of radio frequency (RF) and microwave engineering. MMICs are critical in demanding applications such as defense systems, high-end test instrumentation, and power amplification. Industry experts note that MMIC design continues to be a strong career path, as the technology is expected to remain in use for decades, even with newer alternatives like silicon-on-insulator (SOI) or photonic technologies emerging in select areas.
In summary, while individual MMIC components may have a short production life, the underlying technology endures with long-term relevance and stability.
Conclusion
Chip-and-wire amplifier assemblies can outperform MMIC designs across low noise, ultra-low phase noise, and high linearity metrics. By enabling precise optimization and providing superior reliability, chip-and-wire technology clearly emerges as the superior choice for high-performance RF amplifier applications.
Download the PDF: Advantages of Chip-and-Wire Amplifiers over MMIC Designs for RF Applications
How are Gain and Noise Figure Related?
How are gain and noise figure related for low noise RF amplifiers?

Low Noise Figure Plot
In a low-noise amplifier (LNA), gain and noise figure are interrelated but distinct parameters. Generally, they exhibit an inverse relationship, improving one can often degrade the other, depending on the design trade-offs involved. Although gain and noise figure are optimized independently, achieving a high gain in the first stage of an amplifier is particularly beneficial, as it minimizes the contribution of noise from subsequent stages.
How does gain compare to noise figure on a single-stage LNA design?

Gain Plot
The noise figure (NF) of an amplifier is defined as the ratio of the input signal-to-noise ratio (SNR) to the output SNR. A lower noise figure indicates better noise performance. One way to reduce NF is by operating the amplifier’s transistors near their maximum current capacity, which increases the signal amplitude relative to the amplifier’s intrinsic noise sources, thereby improving the output SNR.
As amplifier gain increases, both the signal and the internally generated noise are amplified. However, when the gain is sufficiently high, the input noise becomes the dominant contributor to the total noise, effectively reducing the relative impact of the amplifier’s own noise. This behavior is quantified by the Friis formula (or Friis equation), which describes how noise figure accumulates in cascaded amplifier stages.
In practical system design, placing a high-gain, low-noise amplifier (LNA) at the front end, ideally as close as possible to the antenna, significantly minimizes the influence of noise from subsequent stages. For this reason, the first-stage LNA typically has the most stringent noise and gain specifications in the entire receive chain.
Understanding Impedance Matching
Load Termination Requirements
How important is a 50 Ohm termination?
A true 50-ohm termination is critical to the health of a small-signal RF amplifier because it ensures free-flowing signal propagation, maximum power transfer, and prevents damage from output reflections. If a 50-ohm amplifier is placed in an RF chain facing a mismatched impedance, issues, including amplifier failure, may occur. The importance of impedance-matching a 50-ohm small-signal amplifier with surrounding components cannot be overstated; moreover, it is considered an industry standard.
- Maximum Power Output: When the input signal and load impedances are matched to 50 ohms, nearly all of the amplifier’s output power is delivered to the next cascaded chain component. In an unmatched or poorly matched system, some of that power is reflected, either back to the amplifier (when the amplifier sees a mismatch) or back to the source (when the mismatch is at the amplifier’s input).
-
Preventing Signal Reflections: Impedance mismatches cause signal reflections, this is well known. The reflected signal then travels back along the signal path and interferes with the output signal, creating standing (stationary) waves.
-
Signal Integrity: Standing waves can appear as current or voltage fluctuations along the signal path. This can manifest as distortion, a deterioration in the signal-to-noise ratio (SNR), and can seriously affect or degrade the amplifier’s output.

Impedance Matching
What are the consequences of a mismatch?
When a small-signal RF amplifier operates in a chain with a mismatched impedance, the result can range from a slight reduction in performance to reflections that cause serious or even permanent damage to the amplifier.
Reduced Performance
- Output Power Loss: In a small-signal RF amplifier, any output power reflected from the load is lost energy. This reduces the total power output intended for the downstream component. As the load mismatch worsens, the intended output power loss increases dramatically.
- Distortion: When standing waves are present due to load mismatch, their interference produces distortion, degrading signal fidelity.
- Gain Loss: The gain of an amplifier in an RF chain can be lowered by load-mismatch losses at each gain block stage.
Can impedance mismatches damage an amplifier?
- Transistor Damage: In cases of an open (infinite impedance) or short (zero impedance), all forward-directed output power is reflected back into the amplifier’s output pin or connector. This can cause a sudden and dramatic increase in voltage or current directed at the transistors. Designers sometimes employ diodes to absorb that reflection or large capacitors to ground to drain it away, but such measures are not always 100% effective.
- MTBF: Reflected power must eventually dissipate as heat if the mismatch is severe enough. This additional heat can reduce the mean time between failures (MTBF), shortening the amplifier’s lifespan.
Can I prevent damage to an amplifier which has a poor mismatch?
- Share your Incident Impedance Measurements with the RF Amplifier Supplier: Knowing potential mismatch issues before amplifier selection can help mitigate problems later. Spectrum Control can often include elements such as diodes or pads on the output to help absorb, reflect, or condition harmful mismatch reflections.
- Add a Pad: For reflection-sensitive amplifiers, a small pad, perhaps ¼ dB to ½ dB (if there’s sufficient output power margin), can be strategically placed at the amplifier output or at the next component’s input to reduce reflected power.
- Use Proper Load During the Test Phase of the Design: Always terminate an amplifier with a 50-ohm load. During test sessions, this means using a 50-ohm dummy load. In a system-level evaluation, this requirement extends to the entire RF chain, including connectors, cables, and all other components.

Gain and Return Loss of a Low Noise Amplifier
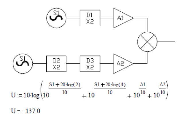
System Phase Noise Calculations
Correlated and Uncorrelated Components
When calculating the phase noise of a system there are many considerations. The following illustrates phase noise calculation of a system and the effects of correlated components verses uncorrelated components. Following these calculations there is an illustration
showing consideration of absolute power levels and how they affect the phase noise of a system. Let us assume the phase noise for each component at a single offset frequency, say 100 kHz is the following in dBc/Hz:
Phase Noise of each Component
| Source | S1=-150 | 2nd Doubler D2=-155 |
| 1st Doubler | D1=-155 | 3rd Doubler D3=-155 |
| 1st Amp. | A1=-165 | 2nd Amp. A2=-165 |
We will start off with a doubler and amplifier:

If we have a component preceding a doubler or any multiplier, its phase noise will be degraded by 20 log of the multiplication factor.

Let’s consider a mixer. If we have two uncorrelated sources with the same phase noise characteristics conditioned by these components and fed into a mixer the calculations and result would be as follows:

When the output of a single source is split, conditioned and mixed it is considered correlated. This would also be true if the two sources above were phase locked to each other. The calculations for the source would be correlated while the other components are not. The
result would be higher phase noise.

One can also conclude from this that the phase noise of a doubler made by splitting a source and then combining it in a mixer will be the same as using a passive doubler.

Thermal Noise Floor
If the phase noise measurement of a component

is made at the same power levels that will exist in the system the thermal noise floor is already in the result. If the data is recorded at much higher power levels than components will experience in the system or if the engineer would like to know what the power levels must be to maintain a particular phase noise result then the thermal noise floor must be a consideration. The thermal noise floor or kTB is ~-174 dBm/Hz. This is based on Boltzmann’s constant, the temperature, and the bandwidth of the signal.

Thermal noise is specified in dBm. If the phase noise of a component comes close to this power level it will be degraded and there is no method to correct the situation short of filtering for phase noise. The same rules for calculating correlated and uncorrelated components apply as before so let us consider the performance of the following cascade.

Therefore if the source in this system were ideal it would have a phase noise of –189 dBc/Hz (-174-15). Allowing the power level to drop significantly degrades the system noise performance.
Conclusion
When calculating the phase noise of a system one must pay close attention to power levels and precisely how the signal is used and reused.
What is Amplifier Residual Phase Noise
Amplifier residual phase noise, also known as Additive Phase Noise, is the additional phase noise or the phase noise contribution that an active component, like an amp, adds to an output signal as the signal passes through the device. Phase noise is a parameter or critical metric for characterizing and defining the performance that differentiates the fundamental noise of the amplifier from the noise of the source at the amp’s input.
What’s the difference between Residual Phase Noise and Absolute Phase Noise?
Understanding, identifying, and recognizing the difference between residual phase noise and absolute phase noise is critical for understanding an amplifier’s contribution to the system's overall noise performance.
- Residual Phase Noise: residual phase noise is the phase noise that is added to the path by the amplifier. When measuring this parameter, the test set uses the same clean signal source for both the device under test (DUT) and a low phase noise input reference. The phase noise test set, like the Agilent 5511 or the Rhode FSWP, then analyzes, but inputs, subtracts out the phase noise from the amplifier, and leaves only the phase noise contributed by the amplifier or the DUT.
- Absolute Phase Noise: the total or complete phase noise of the input signal to the amplifier. For a signal generated by a synthesizer or an oscillator, that signal is measured to determine its absolute phase noise. When that signal passes through an amplifier, for example, the amplifier's phase noise contribution combines with the synthesizer’s or oscillator’s absolute phase noise to produce a new, higher absolute phase noise measurement at the amplifier's output.
Why is Residual Phase Noise so important?
In high-performance systems like ground-based radar, targeting systems, and missile defense applications, every single component in the chain’s noise contribution matters to the overall fidelity of the system.
- Predicting System Performance: by understanding, measuring, and then knowing the residual phase noise contribution of the amplifiers in the chain, design engineers can accurately model and predict the total noise of a complex system.
- Component Level Performance: actually measuring the residual phase noise contribution is the only way to confidently evaluate and compare the fundamental noise performance of both the Source and the amps in the chain. This is especially important for receive-side buffer amplifiers, where the Phase Noise performance is at times slightly degraded when the amp operates past the P1dB point and well into saturation for peak output power performance.
- Identifying Noise Sources: using a specific Residual Phase Noise measurement setup, an engineer can attempt to cancel out the noise contribution from DC sources like a power supply, for example, allowing the design engineer to pinpoint the specific component, or even broader, the chain, that is degrading the system's overall performance.
What contributes to an Amp's Residual Phase Noise?
- Flicker Noise (1/f noise): noise more significant at close-in offsets, the result of low-frequency fluctuations in the amp's transistors.
- White Noise: noise that is a byproduct of the amplifier's thermal noise or Johnson noise. Thermal noise is simply the white noise that is caused by an amp’s transistor as electrons move, as in the case of a silicon transistor, from the base to the emitter.
- AM-to-PM Conversion: an amplifier's linearity can degrade at output power levels beyond the amp’s linear region or perhaps into saturation. Beyond P1dB, amplitude noise or AM noise from the DC supply can register as phase noise or PM, which can increase an amplifier’s residual phase noise contribution. Based on the amps we manufacture here at Spectrum Control, an amp’s best Residual Phase Noise performance comes when it is at, or just shy of, its P1dB point.
What is the Difference Between Time Domain and Frequency Domain Regarding Phase Noise?
Difference in the Time Domain
- Phase noise: In the time domain, phase noise manifests as jitter. The term jitter aptly describes random and unpredictable fluctuations in an RF signal’s zero-crossing points from their ideal, periodic timing. In other words, the signal sometimes arrives earlier or later than it ideally should, introducing timing uncertainty that degrades signal stability and performance.
-
Noise figure: The noise figure of an amplifier represents the total noise it contributes to the output. Simply put, it is the random increase in output power, voltage, or current fluctuations over time. If an amplifier’s output were a perfect sine wave, this added noise would appear as small, erratic deviations or fuzziness on the waveform, reflecting random, broadband noise superimposed on the ideal signal.
Difference in the Frequency Domain
- Phase noise: In the frequency domain, phase noise appears as noise sidebands surrounding the carrier tone. Rather than a single narrow spectral line at the carrier frequency, real oscillators exhibit sidebands that spread outward due to random phase variations. The shape and distribution of these sidebands depend on the internal noise sources and characteristics of the oscillator.
- Noise figure: Viewed in the frequency domain, the noise figure is represented by the overall noise floor of the amplifier. An ideal amplifier would amplify only the existing thermal noise (such as that generated by electron motion in semiconductor junctions). However, an amplifier with a high noise figure increases the output noise power across a wide frequency range, effectively raising the system’s noise floor and degrading sensitivity.
What is the Connection between the Time Domain and Frequency Domain for Phase Noise?
While phase noise and noise figure are distinct parameters, they share a close relationship. An amplifier’s noise figure contributes to the overall noise floor of an RF system, and under certain conditions, this noise can interact with the desired signal to produce phase noise components.
This effect becomes especially apparent when amplifiers operate near saturation. For instance, a local oscillator (LO) with a high noise figure can introduce additional noise that mixes with strong nearby signals, a phenomenon known as reciprocal mixing. In a receiver chain, when a mixer translates signals from the LO to the intermediate frequency (IF), the LO’s phase noise manifests as sidebands that extend into adjacent frequency channels. This effectively raises the receiver’s noise floor and degrades overall system performance.
Comparing Phase Noise to Noise Figure
The table below compares Phase Noise and Noise Figure, two fundamental parameters in RF and microwave system design. While both impact overall signal quality and system performance, they describe different aspects of noise behavior. Phase noise characterizes the short-term stability and spectral purity of a signal source, whereas noise figure quantifies how much additional noise a component, such as an amplifier, introduces relative to the thermal noise at its input. Understanding the distinctions between these parameters is critical for optimizing system sensitivity, dynamic range, and signal integrity across communication, radar, and electronic warfare applications.
Phase Noise |
Noise Figure |
|
Phase noise is measured in the frequency domain as a plot of the spectral density of noise sidebands relative to the carrier. |
A single measurement in the frequency domain that describes how much an amplifier degrades the signal-to-noise ratio (SNR). |
|
Phase noise refers to the random fluctuations in the phase of a signal, which cause the signal’s energy to disperse around its nominal carrier frequency, producing sidebands in the frequency spectrum. |
The amount of noise a component, such as an amplifier, adds to a signal relative to the thermal noise present at its input. |
|
Seriously degrades signal fidelity, especially in radar platforms, by contributing to reciprocal mixing with noise figure. It can increase the bit error rate (BER), elevate sub-clutter visibility in forward-looking radar systems, and degrade overall system dynamic range. |
Limits a receiver’s sensitivity by raising the noise floor. A high noise figure means the receiver requires a stronger input signal to achieve a given signal-to-noise ratio (SNR). |
|
A critical parameter for signal sources and frequency synthesizers where signal purity and integrity are essential. |
A critical parameter for low-noise amplifiers (LNAs) in communication systems where input signal power is low and highly susceptible to additional noise. |

Low Phase Noise
Class A vs. Class AB Operation
Spectrum Control specializes in the design and manufacture of hybrid chip and wire amplifiers. Class A amplifiers differ significantly from their Class AB counterparts. In Class A designs, the devices are biased to conduct current throughout the entire input signal cycle. While this approach delivers exceptional spectral fidelity, it comes at the cost of efficiency, as the amplifier operates at a continuous 100% duty cycle. By contrast, Class AB amplifiers represent a middle ground between Class A and Class B operation. They are biased to conduct for more than half (180°) of the waveform, improving efficiency while reducing the distortion that is typical in pure Class B designs.
|
Performance
|
Class A Amplifier | Class AB Amplifier |
| Heat | Class A amplifiers generate more heat due to their constant DC power consumption and may require a copper bus to dissipate the excess thermal energy. | Class AB amplifiers produce less heat than typical CW Class A designs because their transistors are not continuously operating at 100%. |
| Power | Because Class A amplifiers are less efficient, they generally deliver lower power output compared to Class AB designs. | Class AB amplifiers typically achieve higher output 1 dB compression points due to their more efficient use of the DC supply. |
| Bias | A Class A amplifier conducts DC current throughout the full 360° of signal propagation. The transistors remain in an “always-on” state, even when no RF input signal is applied. | Class AB amplifiers conduct current for more than 180° of the signal cycle. Typical designs employ a push-pull configuration, in which one transistor conducts during the positive half of the waveform while the other transistor conducts during the negative half. |
| Efficiency | Class A amplifiers are inherently inefficient, with typical efficiencies ranging between 20% and 25%. This low efficiency is a direct result of their continuous-wave (CW) operation, which dissipates a large portion of the DC supply power as heat. | Class AB amplifiers are significantly more efficient than Class A designs, with typical efficiencies reaching up to 60%. |
| Fidelity | Class A amplifiers provide the lowest distortion and highest signal fidelity. Since the transistors operate in the linear region at all times, they avoid the “crossover distortion” that can result from clipping or switching transitions. | Class AB amplifiers deliver higher fidelity than pure Class B designs but fall short of the performance achieved by Class A amplifiers. A small overlap is introduced during the conduction phase between transistors, which effectively eliminates the crossover distortion that is characteristic of simple Class B amplifier designs. |
IP3 vs. IP2
RF Amplifier Linearity and Noise
IP3 and IP2 values are measurements of an amplifier’s linearity. They indicate how much non-linear distortion the amplifier produces and how that distortion contributes to the output signal.
Although both IP3 and IP2 quantify distortion, they differ in the type of distortion measured and the impact on overall system performance. In general, higher IP3 or IP2 values correspond to greater linearity and better amplifier performance.
A “linear” amplifier increases the strength of the input signal without altering its original shape. In other words, the output signal is an exact scaled replica of the input. This characteristic is critical in applications that require high spectral fidelity, such as communication systems and precision instrumentation.
To better understand linearity and non-linearity, consider a real-world analogy using a guitar and a frequency generator.
A frequency generator is a highly linear system designed to produce a simple, “pure” tone. Playing a Middle C produces a single sine wave at approximately 261 Hz. In this system, the output amplitude is directly proportional to the input voltage, raising the input simply increases the output level. The resulting waveform is clean and consists of only one frequency.
By contrast, a guitar is inherently non-linear. When a string is plucked to produce Middle C, it does not vibrate solely at its fundamental frequency. Instead, it also generates vibrations at integer multiples of that frequency, known as harmonics. The pluck (input) produces a complex output waveform containing both the fundamental and its harmonics, resulting in a rich and natural tone.
In this analogy, the amplifier’s role is similar to how the intensity of the pluck affects the sound. A harder pluck increases loudness but also changes the harmonic balance, introducing additional distortion. These harmonics, integer multiples of the fundamental, create the overtones that shape the timbre of the sound.
Nonlinearity in the guitar arises from several factors that interact in complex ways: the stiffness of the strings, the material of the body, and the playing technique. Each introduces deviations from ideal harmonic behavior. This nonlinearity makes the guitar sound warm and expressive, whereas the frequency generator produces an artificial, sterile tone.
In this analogy, the amplifier’s role is similar to how the intensity of the pluck affects the sound. A harder pluck increases loudness but also changes the harmonic balance, introducing additional distortion. These harmonics, integer multiples of the fundamental, create the overtones that shape the timbre of the sound.
Nonlinearity in the guitar arises from several factors that interact in complex ways: the stiffness of the strings, the material of the body, and the playing technique. Each introduces deviations from ideal harmonic behavior. This nonlinearity makes the guitar sound warm and expressive, whereas the frequency generator produces an artificial, sterile tone.
In amplifiers, similar effects occur. Nonlinearities cause the output signal to deviate from a perfectly scaled version of the input. These distortions can originate from the amplifier’s fundamental design, component quality, or operating environment. When an amplifier operates nonlinearly, frequencies within the input can mix, producing new frequencies that are the sums and differences of the original ones. These intermodulation products are unwanted because they are not harmonically related to the original signal.
No amplifier is perfectly linear, every RF component exhibits some degree of nonlinearity and will eventually reach a point of saturation where the output can no longer increase proportionally with the input. For this reason, linear amplifiers are designed to operate within a specified range where their linearity and thus IP2 and IP3 performance is optimized.
What is an Intercept Point?
-
The intercept point is a mathematical construct used to describe an amplifier’s linearity. It represents the theoretical input power level at which the power of the desired output signal and the power of the distortion products (typically intermodulation products) would be equal.
-
A higher IP2 or IP3 value indicates a more linear device and greater resistance to distortion, meaning the amplifier can handle stronger input signals before nonlinear effects become significant.
-
In practice, amplifiers reach their 1 dB compression point (P1dB) and begin limiting output power well before the intercept point is actually achieved. The intercept point is therefore used as a figure of merit rather than a directly measurable condition.
Why is IP3 more important than IP2?
Third-order distortion products typically appear very close to the fundamental signal frequencies, making them difficult to suppress using standard filtering techniques. These unwanted signals can fall directly within the receiver’s operating band, degrading sensitivity and overall performance.
For this reason, IP3 is often considered the most critical linearity parameter for a receiver. It directly reflects the system’s ability to maintain clean signal integrity and operate effectively in environments with strong, closely spaced signals, such as crowded or high-interference frequency bands.
When is IP2 more important than IP3?
IP2 is generally less critical than IP3 in superheterodyne receivers because second-order distortion products typically fall outside the desired signal band and can be filtered out more easily.
However, IP2 becomes crucial in direct-conversion (zero-IF) receivers, where second-order distortion can create unwanted DC offsets or low-frequency artifacts that directly interfere with the desired signal. In such architectures, maintaining a high IP2 is essential to ensure accurate demodulation and minimize baseband distortion.